线束工程师服务平台
可以搜到:产品、技术、资料、新闻、检测、企业、视频
前言
进料是企业产品在生产前的第一个控制品质的关卡,指对采购进来的原材料、零件或产品做品质确认和查核,如果把不合格品放到制程中,则会导致制程或最终产品的不合格,造成巨大的损失。下面由我带领大家有效地做好品质管理中的进料检验工作。
1.目的:为了确保公司所制产制品质量及决定本厂进料检查所相关事项,做合理检查以及确保进厂之零件材料符合规定要求,达到质量保证之目的。
2.适用范围:本程序书适用于本公司所有购入之生产用原辅物料与零配件等进货检验。
3.参考资料:
3.1 IATF16949:2016。
3.2 供应商管理程序书。
3.3 抽样计划表Ⅰ/Ⅱ/Ⅲ/Ⅳ。
3.4 作业指导书制作程序书。
4.职责:
4.1 主权责部门:品保部针对所有零件材料进行质量检查与管理。
4.2 配合部门:
采购部负责对本公司所有第三方质量状况联系。
研发部负责新物料的承认,并提供标准作为检验参考依据。
物流部负责来料的数量确认和收货与管理。
5.作业内容:
5.1进料检查流程图。
5.2零件检查程序:

5.2.1首先确认交货的供应商是否为合格供货商。
5.2.2检查供应商所提供的出货检验报告是否完整、清晰、无漏项。
5.2.3确认来料单号 &实物与 、料号是否相符,以及是否有符合环境危
害物质管控的相关标示;
5.2.4零件进厂时,暂时放置于待验区由仓库人员进行产品、数量确认以及包装是否有破损
等现象;确认无误后于供应商送货单上签收, ,并通知进料检验单位。
5.2.5进料检验人员接到材料检验单后,依承认资料、图面、样品进料检查基准书、零件包装规格书、供应商出货检查报告进行零件检验,并将检验结果记录与零件检查成绩书并记录于零件入库质量记录表,如有电子档,保留电子档形式) ,同时依检验判定之结果进行相应的标示。
5.2.6待验区零件,除有特殊状况外,品保部进料检验人员应于接到通知二个工作日内检验完毕。确认供货商交货之零件是否有承认资料、发行的图面、开发签核的样品 ( 包材类不涉及此项管制) ,以及发行的进料检验标准等相关参考资料;
5.2.7供货商交货检验前,其进料检验员若发现缺少上述注意事项数据时,不得实施检验,并提供信息于责任单位进行确认;待数据提供完成后方可进行;
5.3 抽样检查规定:
5.3.1公司抽样标准依检查基准书执行。
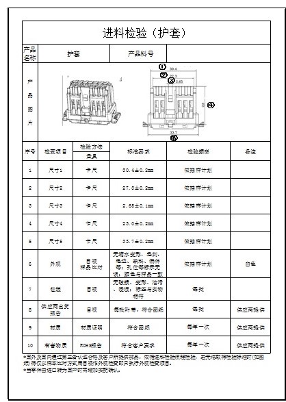
5.3.2性能:针对零件中有关键/特殊特性项目,端子、连接器、卡扣、护套等每批依
模穴抽验1PCS,持续3批合格,可更改为(隔)批检查,若制程中发现质量异常则
恢复每批1PCS抽验。

5.3.3材质:供应商制造零件所使用的材料材质证明,在新产品送样时一并附上,若供应商材料变更,需重新提交新的材料材质证明(检验时涉及设计、工程变更物料时,则依据工程变更管理程序规定实施);
5.3.4国外及国内通过第三者认证合格及客户所提供零件,依进料检验流程检验,若无法取得检验标准时(如图纸)得仅以样本比对方式用目视作外观检查,若该供应商质量水平未达质量目标,则依5.7.2执行,以上所提供应商由采购部提供供应商相关数据加以列表管理登录至”合格供应商名单”。
5.5抽样检验区分:
5.5.1正常检验:量产品进料时实施。
5.5.1.1开始正常检验起,连续10批之进料均允收时,下批起采减量检验。
5.5.1.2连续2批、3批、4批、5批中有2批拒收时,下批即转换为加严检验。
5.5.1.3开始减量检验起,连续五批进料均允收时,由品保人员提出免检申请,经公司最高主管核准后实施免检。
5.5.3加严检验:
5.5.2.1新规格零件、试作、首批交货、量试之检验。
5.5.2.2针对零件不良发生部位检验。
5.5.2.3连续5批均允收,下批起恢复正常检验,但有一批以上拒收时维持加严检验。
5.5.3减量检验:零件如在进料检验或制程过程中发现不良,则自下批次起恢复正常检验。
5.6合格品处理:
5.6.1检查结果符合进料检查基准书的要求则判定为合格。
5.6.2零件判定合格后,品保人员签核好材料验收单,通知仓管人员依第三方交货标签或外箱的右上角贴上当月份合格标签贴至最小包装。仓库人员依库位进行收存,堆放整齐,检查报告由品保部归档
5.6.3经判定合格零件,若在制程中使用发现质量异常时,使用部门得要求品保进行确认,如为不良品则依5.7不合格品处理程序处理。
5.6.4非经检查合格或特别认可使用原材料,制造部不得用于产品制造。
5.7 不合格品处理:

5.7.1检查结果不符合进料检查基准书的要求则判定为不合格,贴上不合格标签并于进料通知单上签退,仓库人员立即将该不合格品放置不良品区列管,同时登录于不良品放置管制表。
5.7.2检查员判定该零件不合格时,应发行品质不良异常单。
5.7.3检查员判定不合格后,将不良内容向主管提出报告,由主管判定该不良零件之处理方法指示于品质不良异常单发送给供应商,再由供应商针对不良原因分析,并提出矫正方式及预防措施防止再发。
5.7.4主管判定挑选使用依据:该零件判定不良后,如果因为生产线急需用,由采购部连络供应商至公司内作挑选使用,或由采购部要求制造部挑选使用,异常工时提供采购部向供应商索赔或进行扣款。
5.7.5国内A级零件依质量记录,如连续三批拒收时,需要求供应商提出改善,供应商如无自定义模板者,以公司之品质不良异常单填报之直至连续5批均允收止。
5.8保留品处理:零件检查因缺乏详细图面,规格或其它有关技术数据等因素而无法立即做判定时,得判定保留,品保需迅速与有关部门协调,尽速处理。
5.9因生产需要未及时检验即紧急上线制造、装配零件,应由采购部通知作业部门,品检人员应依据材料验收单立即在线依检查标准书优先进行抽检,如合格即补贴合格标签,不合格则依5.7处理,并应记录于日报中。
5.10特采品处理:零件经品保人员判定不合格后,采购基于“机能无故障及不影响客户组装但影响交货给客户且数量很多”前提下,提出特采申请书,经研发部会判核可后,由品保主管做最后确认,可特采件即由品保部填发特采通知书发行至有关部门据以执行;采购部负责产品物料卡上记录特采信息,制造部于生产报告注明特采状况以便追溯;不承认的特采件即批退。
5.10.1有关客户特采依不良品处理程序书规定,并通知第三方。
5.11检验资料统计维护
5.11.1进料检验人员检验完毕后须填写 、,并维护电子文件质量履历数据资料;

5.11.2进料检验员资料统计人员应依周别汇总制作进料检验周报表, 质量工程师对供应商交货质量目标达成状况进行检讨;
5.11.3进料检验员资料统计人员应依月份对进料质量状况进行汇总, 并作成进料检验月报表;质量工程师按月别对供应商交货质量目标达成状况进行检讨。

IQC是公司整个供应链的前端,是构建公司质量体系的第一道防线和闸门,也是整个质量体系和生产工序的源头。不仅影响到公司最终产品的品质,还影响到各种直接或间接成本。来料检验对公司产品质量占压倒性的地位,所以要把来料品质控制升到一个战略性地位来对待。





扫一扫
扫一扫