2021-04-02解读QC/T29106-2014的压接相关章节
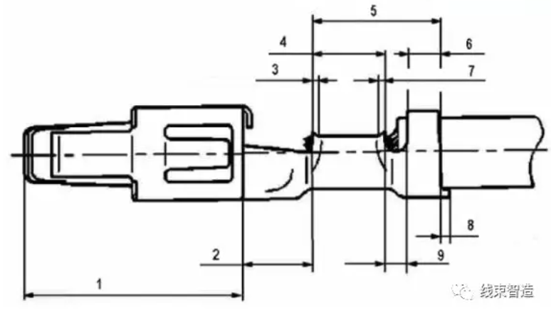
压接合格的三要素:压接外观、压接高宽度、拉拔力测试值,端子与电线的连接优先采用如图所示的压接方法。
76090
线束工程师服务平台
可以搜到:产品、技术、资料、新闻、检测、企业、视频
端子扭曲变形
端子扭曲变形引起的不良:包括横向弯曲、轴向扭曲。
不良原因:
1.端子未处于下刀片的正中央而是向左、右侧倾斜。
2.模具的端子移送器输送端子到打端位置时,移送器的弹簧张力太弱或太强,没有将端子传送到扁顶头的准确位置引发不良。
3.位置调节丝的磨损导致端子送不到位。
4.压接器和下刀片的中心错位导致不良,同时还会导致刀片磨损,使压着痕过深。
5.刀片磨损的原因。

线束未组装到位
包括:
1.端子深打:压芯区域压到线皮、芯线长度过长导致端子变形。
2.端子浅打:外皮或芯线没有压到指定的区域。
不良原因:
1.芯线剥皮长度过长或者过短。
2.压接时线材放置的位置不对。

切断口不良
不良原因:
1,端子的切断部没有处在正位置,而是更突出或更向里。
切断口太长时导致插盒子不到位、挂盒子。太短时导致伤端子。
2,端子切断时切断部会出现粗糙的不良现象。
原因:切断面被磨损、绝缘扁顶头末端磨损、切断面和扁顶头有缝隙。
喇叭口不良
不良原因:端子和压接器的位置错误导致喇叭口未形成或形成太大。

端子仰 & 端子勾不良
不良原因:端子未处于扁顶头的正位置或者扁顶头和支撑台没在正位置。
芯线松散不良
不良原因:线缆上剥下绝缘层的处理或集束过程中芯线松散,所有线芯没有完全封闭于压接区。
压皮区不良
包括:外刀锁口刺破绝缘层、外刀锁口未完全抱住线材、锁口两边不对称。
不良原因:刀口不匹配;压接高度不合适。
传送距离导致不良
原因:抓手不到位、抓手被磨损导致的传动不良。





扫一扫
扫一扫