线束工程师服务平台
可以搜到:产品、技术、资料、新闻、检测、企业、视频
恒流源方案
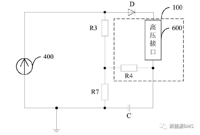
在东软的专利CN109664841A中描述了这样一种方案,具体如下图:400为恒定电流源(例如10mA),外部的互锁接口等效于一个电阻,它与R4串联后再与R3并联;这样恒流源的一部分电流就会流经互锁的等效电阻,MCU通过采集输入输出端的电压就可以计算出互锁电阻。

这种恒流源方案也可以诊断出各种故障模式,如下图;这种电流源方案还是比较主流的选择。

再看上海国轩专利CN113899966A中的方案如下图所示:也是电流源方案,不过是双向电流源,即注入的电流源可以正反两个方向流经外部的互锁回路,检测原理与上相同。

恒流源PWM方案
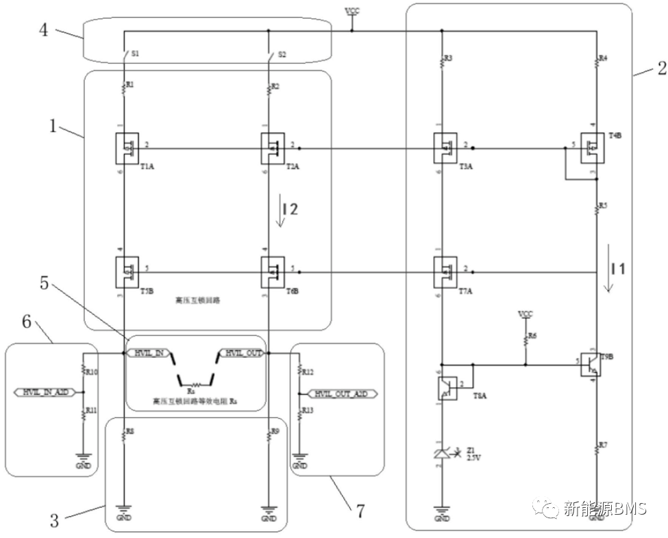
在CATL的专利CN110261712A中描述了这样一种方案,具体如下图:也是电流源检测,但变化点是PWM+H桥驱动,与之前的电压型方案架构差不多,让恒流源正反两个方向流过外部的互锁电阻,最后通过与预设的阈值进行比较输出数字信号到MCU。

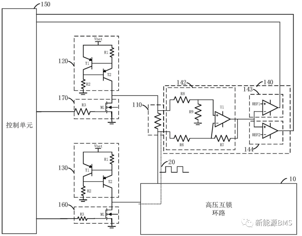
同样地,在深圳比克的专利CN109017317A中,也是一种双向电流源+PWM方案,不过它不是H桥驱动,使用了两个电流源,最终也是通过数字量反馈给MCU;这两种方案现实中见到的比较少,主要是实现复杂。

高压互锁连接器位置特殊处理
在宝能汽车的专利CN110531249A中,也是电流源激励,不过在每个互锁连接器处并联了一个电阻,并且每个电阻的阻值各不相同,这样当某一个位置的互锁连接器断开后,检测模块的采样电压是不同的,进而准确定位;这个方案也与上文中的电压型激励的某种方案类似,但实际也比较少采用。

其他方案
在蜂巢能源的专利CN112213573A中,介绍的方案比较有意思:对电容C1进行充放电,电路中电阻RS与互锁回路电阻r并联;这样有两条路可以走,一是定时的对电容进行充放电,然后采集每个时刻的电压值,计算出互锁电阻r,二是可以充放电到某个阈值,然后通过MCU捕捉充放电的时间,然后计算出互锁电阻r;这种方法比较新颖,让我联想到绝缘检测的一种快检方案,即通过RC充放电曲线来预测绝缘电阻。

最后,在华为的专利CN114312318A中,谈到了这样一种方法:即通过实时获取各个高压部件的输入电压,并与电池的总电压进行对比,来确认是否高压连接器可靠连接;这样就可以省掉高压互锁检测电路;不过这种方案有些局限性,例如在主继电器未闭合的情况下,高压部件是不能检测到电压的,此时对互锁的诊断就会存在盲区。

扫一扫
扫一扫