线束工程师服务平台
可以搜到:产品、技术、资料、新闻、检测、企业、视频
线束EMC设计必要性
1.电磁环境-需求和问题
①与车外广播电视、 无线通信等设施间的相互影响;内部电气部件相互影响;电网设备相互影响;人体静电影响和人员防护。
②EMC三要素
干扰源:产生变化的电压或电流的零部件。
传播途径:包括传导耦合、辐射耦合。
敏感设备:易被干扰的设备。
线束本身为无源器件,自身不产生电磁干扰,但线束是 “传播途径”!
2、整车功能需求
电磁兼容是一门关于电磁能量的产生、传输和接受的学科,是研究在有限的空间、有限的时间、有限的频谱资源条件下,各种用电设备(分系统、系统, 广义的还包括生物体)可以共存的一门科学。
电磁兼容骚扰等级
等级一:功能在施加骚扰期间和之后,能正常执行其预先设计的 功能。
等级二:功能在施加骚扰期间,有可能超出规定的偏差,但功能 在停止施加骚扰之后,必须自动恢复到正常工作范围。
等级三:功能在施加骚扰期间/之后,有可能超出规定的偏差,必 须通过驾驶员操作,才能恢复到正常工作范围。
等级四:功能在施加骚扰期间/之后,有可能超出规定的偏差,驾驶员操作无法恢复到正常工作范围,可以通过修理/替换恢复到正常工作范围。
3.EMC标准-法规需求

线束EMC设计及案例
1.线束EMC设计概要
线束EMC设计:电源设计、搭铁设计、布置设计、导线选型四个方面。
2.电源部分EMC设计
案例:点火线圈与空气流量计共电源线,点火线圈上产生的反向电压干扰空气流量 计,导致其内部模块损坏。

对电源波动敏感传感器类电器件,不能与点火线圈类电压波动大的电器件共用电源。

1、对电源波动敏感传感器类电器件,不能与电压波动大的感性电器件共用电源;
2、有一些对电源要求特别高的传感器和执行器,则需要把电源提供给控制单元,经过控制单元处理后再提供;
3、安全件和重要设备采用独立保险。例如:ECM、ESP、TCU等;
4、大功率设备采用独立保险。例如:电子扇、EPS等。
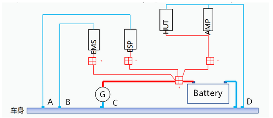
搭铁部分EMC设计。
1、搭铁点正确位置:搭铁点尽可能的靠近电源回路

2、搭铁回路和电源回路尽可能的靠近车身。

3、各控制模块的电子地与大功率感性负载的地线分开搭铁;(A、B和C)
4、安全系统的地要与其他电气地分开布置,甚至双搭铁;( A、B和D)
5、同系统同搭铁,避免不同系统间的串扰(D是影音系统共地)。

6、12V系统是单线制、负极搭铁,所以有屏蔽要求的系统屏蔽层与车身连接必须特别注意不能在屏蔽层上产生电流。

3.线束布置EMC设计
案例:雨刮电源线与某霍尔传感器线束走向相同,雨刮电机能耗制动时产生的干 扰脉冲耦合到传感器电源线,导致传感器电源线被干扰,传感器信号丢失。

传感器之类的弱信号线不与大功率感性负载的电源线、地线并行布线,类似 设计必须提前到整车拓扑设计阶段。

1、弱信号线尽量减少与大功率感性负载的电源线、地线并行布线,如不能避免需要增强弱 信号用电器的抗干扰能力。
2、高压线与低压线应分开布置,必须靠近时应尽可能垂直交叉布置。
3、减少电源线、搭铁线的绕线,所有的电器件都就近取电、就近搭铁。特殊情况除外,系 统必须共地,如摄像头地回到主机内部搭铁。
特殊EMC设计
随着信号频率的提高,数据传输速率的提高,对传输导线有了特殊要求。

同轴电缆:常用于汽车天线和视频影像系统,传输频率很高。

特性阻抗:50Ω 75Ω
对称电缆:用于CAN、以太网高频数字信号,传输信号比较弱、频率比较高。

特性阻抗:
90(USB)
100Ω(以太网、Flex-Ray等)
120Ω (CAN)
结构:
双绞线/星绞组(退扭)
非屏蔽双绞线/星绞组护套电缆
屏蔽双绞线/星绞组护套电缆
特性阻抗:它表示导体之间的电势差与流过该导体间的电流比值,是个常数。

•反射是影响信号品质的问题根源, 而阻抗匹配是避免反射的关键。

•终端电阻R=?0,消除反射波(驻波)
•影响阻抗的因素:线缆(材料、结构) 屏蔽、绞距、突变(中压等)、支线 等,影响到EMI和EMS。
系统的测试验证:阻抗、衰减、相移等等

线束EMC设计总结
随着汽车电子设备越来越多,功能越来越强大,对高速互联的需求急剧增长, 整车线束设计的成本也在快速增长,线束设计的质量和成本/重量的平衡,逐步成为重要课题。
扫一扫
扫一扫