线束工程师服务平台
可以搜到:产品、技术、资料、新闻、检测、企业、视频
控制器作为新能源车辆的大脑,在监测和保护各系统的同时也肩负着对各个指令的请求与发送。

各控制器之间相互独立又相互制约。相互独立是说不同控制器的功用各有侧重独立运作;相互制约是指各控制器间存在主副关系,在特定情况下主控制器可以向副控制器发送指令使其禁用某些功能。

这里我们以新能源汽车中的3大核心控制器(BMS/MCU/VCU)为例,来说明三者之间的关系以及各自的功用。

对于新能源汽车来说,主要的动力源为电能。如何将电能转化为机械能来驱动车辆行驶,这既是关键所在也是技术难点。
三大核心控制器的出现将其成为现实,BMS电池管理系统控制器将动力电池的电能转化为驱动电机能接受的电能;MCU电机控制器在接受到所需的电能后供给驱动电机,实现电能到机械能的转变。而整个过程均是在VCU整车控制器的监管和控制下完成。
BMS-电池管理系统

作为动力电池系统中保护和管理的核心部件,不仅要保证电池安全可靠的使用,还要监控电池的状态,提高电池的利用率,防止电池出现过充电和过放电,延长电池的使用寿命。
同时也是电池和整车控制器以及驾驶者沟通的桥梁,通过控制接触器实现动力电池组的充放电,并向VCU上报动力电池系统的基板参数及故障信息。

结构组成:
BMS主要由硬件电路、底层软件和应用层软件组成。
BMS硬件由主板(BCU)和从板(BMU)两部分组成,从板安装于模组内部,用于检测单体电压、电流和均衡控制,并通过高可靠性的数据传输通道与BCU模块进行指令及数据的双向传输;

主板安装位置比较灵活,用于继电器控制、荷电状态值(SOC)估计和电气伤害保护等,主板上的微处理器完成总电压采集、绝缘检测、继电器驱动及状态监测等功能。
应用层软件是BMS的控制核心,包括电池保护、电气伤害保护、故障诊断管理、热管理、继电器控制、从板控制、均衡控制、SOC估计和通讯管理等模块。

实现把动力电池的直流电能转换为所需的高压交流电、并驱动电机本体输出机械能。同时还具有通信和保护,实时进行各工作状态和故障检测功能,保护驱动电机系统和整车安全可靠的运行。

整车控制器(VCU)根据驾驶员的意图发出各种指令,由电机控制器(MCU)响应并反馈,实时调整驱动电机的输出,以实现整车的怠速、前行、倒车、停车、能量回收以及驻坡等功能。

结构组成
MCU由外壳及冷却系统、功率电子单元(IGBT)、控制电路、底层软件和控制算法软件组成。

其中以功率电子单元模块为核心,辅助驱动集成电路和主控集成电路。MCU对所有的输入信号进行处理,并将驱动电机控制系统运行状态的信息通过CAN线发送给VCU。
控制电路、底层软件和控制算法软件相互配合,当诊断出异常时,MCU将会激活一个错误代码发送给VCU,同时将对应数据及故障码进行存储。

VCU是实现整车控制决策的核心电子控制单元,VCU在具有整车系统故障诊断保护与存储功能的同时,还具有驱动控制、制动能量回馈控制、整车能量优化管理、充电过程控制、高压上下电控制、防溜车功能控制、电动化辅助系统管理控制、车辆状态的实时监测和显示的功能。

VCU通过采集油门踏板、挡位、刹车踏板等信号来判断驾驶员的驾驶意图;同时监测车辆状态(车速、温度等)信息,由VCU判断处理后,向动力系统、动力电池系统发送车辆的运行状态控制指令,并控制车载附件的电力系统。
结构组成
VCU的结构组成,共包括外壳、硬件电路、底层软件和应用层软件,硬件电路、底层软件和应用层软件是VCU的关键核心技术。






面对各控制器的结构组成,尤其是在硬件电路方面,是不是总有种看无字天书的感觉。
当然这些对于我们一线的汽修人而言并不重要,我们只要吃透它们的控制逻辑就好。
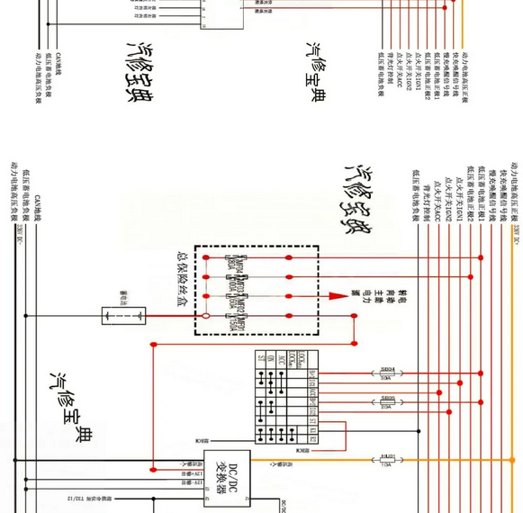
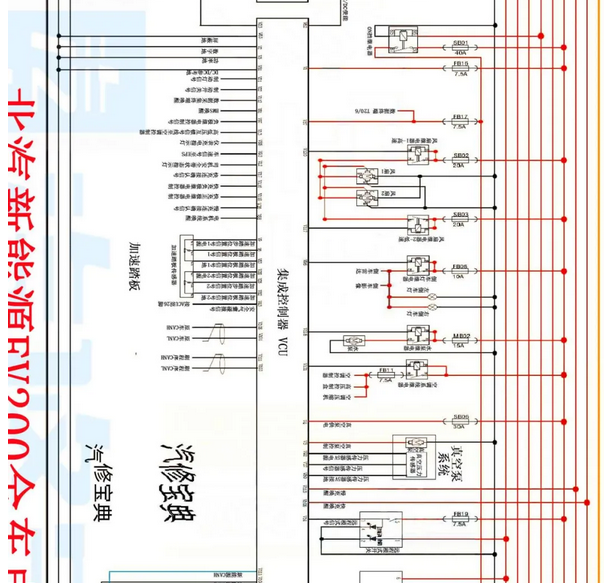
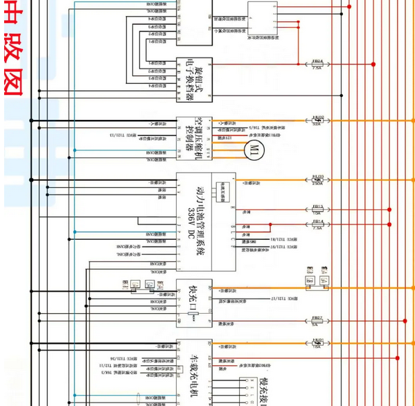
而对于故障维修的关键,还得落到电路图上。这里为大家准备了一张全车电路图,方便阅读的同时还可以有一个全局观。
扫一扫
扫一扫